广东省深圳市光明区玉塘街道田寮社区光侨路公司智造产业园
采用转塔结构实现高速热缩,节省占地面积;
采用夹爪方式夹取电芯定位,兼容钢铝壳电芯。
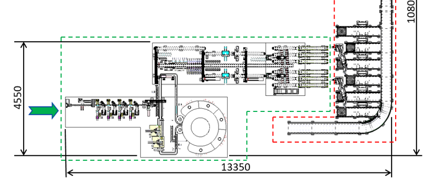
自动上料
扫码定位
贴绝缘片机构
套膜机构
热缩机构
尺寸测量机构
重量测量机构
外观检测机构
分档下料机构
打包物流线机构
| 外形尺寸 | 单线 L*W*H≤ 13500*5400*2500mm | 
| 单机产能 | ≥ 70PPM | 
| 适用电芯尺寸 | 直径:30-50mm;长度:130-200mm | 
请填写以下表格,我们将尽快与您联系
您的姓名 *
您的公司 *
您的电话 *
您的邮箱 *
您的留言 *
                        
                    
